הנדסה מדויקת יצירת שרטוטים טכניים בלי דיוק
- הנדסה מדויקת יצירת שרטוטים טכניים בלי דיוק
- II. הנדסת דיוק
- דיוקן טכני
- IV. דִיוּק
- V. חשיבות הנדסת דיוק
- VI. דִיוּק
- VII. תוכניות של הנדסת דיוק
- מצבים תובעניים בהנדסת דיוק
- ט. הדרך קדימה עבור הנדסת דיוק

הנדסת דיוק היא אזור הנדסה העוסק בתכנון, ייצור והרכבה של אלמנטים בשליטה ובדיוק גבוהים. הנדסת דיוק משמשת במגוון גדול של תעשיות, מכיל ייצור, תעופה וחלל ומכשור מדעי.
II. הנדסת דיוק
הנדסת דיוק היא אזור פרחוני ומאתגר, הדורש הבנה עמוקה של אריתמטיקה, פיזיקה ומדעי החומרים. מהנדסי דיוק לווים לגדול להיות מסוגלים לתכנן ולהעביר אלמנטים העומדים בסובלנות קפדנית, ועליהם לגדול להיות מסוגלים לפענח שיקולים ולפתור שיקולים פתאום וביעילות.
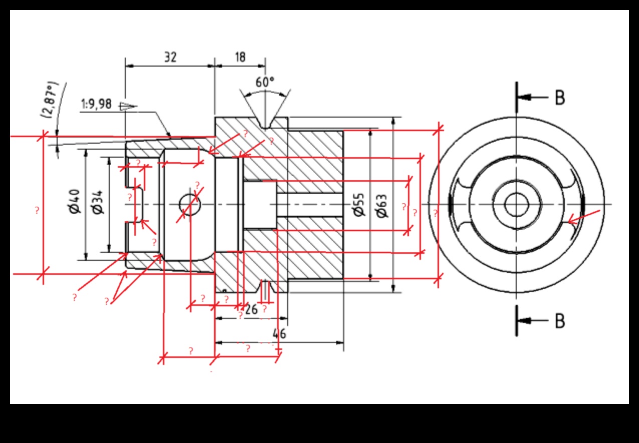
III. דיוקן טכני
שרטוטים טכניים הם יסוד הכרחי בתהליך ההנדסה המדויקת. שרטוטים טכניים מספקים איור מעמיק ומדויק של אלמנט, והם משמשים להעברת ידע בין מהנדסים, מעצבים ויצרנים.
IV. דִיוּק
דיוק חשוב מאוד בהנדסת דיוק. הדיוק של אלמנט נקבע על פי הטלרנסים המצוינים בשרטוט הטכני. סבולות הן הסטיות המקסימליות המותרות מהמידות שצוינו של אלמנט.
V. חשיבות הנדסת דיוק
הנדסת דיוק חיונית למגוון גדול של תעשיות. אלמנטים מדויקים משמשים בכל גורם, החל כלי רכב ועד מכשור מדעי. הדיוק של אלמנטים מדויקים הוא הכרחי לבטיחותם ולאמינותם של סחורות אותם.
VI. כמה יתרונות נהדרים של הנדסת דיוק
ישנם מספר יתרונות להנדסת דיוק. אלמנטים מדויקים יכולים לתמוך את הביצועים של מוצר, להחליש מחירים ולהגביר את ההגנה. הנדסת דיוק יכולה יכול אפילו להושיט יד להחליש את הפסולת ולשפר את היעילות.
VII. תוכניות של הנדסת דיוק
הנדסת דיוק משמשת במגוון גדול של תעשיות, מכיל:
- ייצור
- תעופה וחלל
- גאדג'טים רפואיים
- אוטו
- אֶלֶקטרוֹנִיקָה
ח. מצבים תובעניים בהנדסת דיוק
ישנם שונים מצבים תובעניים הקשורים להנדסת דיוק. מצבים תובעניים אלו כוללים:
- העמלה הנלווית הגבוהה של אלמנטים מדויקים
- המורכבות של תהליכי ייצור מדויקים
- הרצון בעובדים מיומנים מאוד מאוד
ט. הדרך קדימה עבור הנדסת דיוק
הטווח הארוך של הנדסת דיוק הוא מזהיר. הביקוש לרכיבים מדויקים הולך וגדל, ומתעוררות מדעים יישומיים חדשות מבפנים המקלות על ייצור אלמנטים מדויקים. הנדסת דיוק משחקת משימה החשוב ביותר מספר גדל והולך של במגוון גדול של תעשיות.
קוריוזים
ש: מהי הנדסת דיוק?
ת: הנדסת דיוק היא אזור הנדסה העוסק בתכנון, ייצור והרכבה של אלמנטים בשליטה ובדיוק גבוהים.
ש: מהם כמה יתרונות נהדרים של הנדסת דיוק?
ת: ישנם מספר יתרונות להנדסת דיוק. אלמנטים מדויקים יכולים לתמוך את הביצועים של מוצר, להחליש מחירים ולהגביר את ההגנה. הנדסת דיוק יכולה יכול אפילו להושיט יד להחליש את הפסולת ולשפר את היעילות.
ש: מהם האתגרים של הנדסת דיוק?
ת: ישנם שונים מצבים תובעניים הקשורים להנדסת דיוק. מצבים תובעניים אלו כוללים את העמלה הנלווית הגבוהה של אלמנטים מדויקים, המורכבות של תהליכי ייצור מדויקים, והצורך בעובדים מיומנים מאוד מאוד.
ש: מהו הטווח הארוך של הנדסת דיוק?
ת: הטווח הארוך של הנדסת דיוק הוא מזהיר. הביקוש לרכיבים מדויקים הולך וגדל, ומתעוררות מדעים יישומיים חדשות מבפנים המקלות על ייצור אלמנטים מדויקים. הנדסת דיוק משחקת משימה החשוב ביותר מספר גדל והולך של במגוון גדול של תעשיות.
| מאפיין | תֵאוּר |
|---|---|
| הנדסת דיוק | אמצעי עיצוב וייצור סחורה בלי דיוק ודיוק גבוהים. |
| דיוקן טכני | איור גרפי של מוצר או גאדג'ט המשמשים להעברת ידע עיצובי. |
| דִיוּק | מידת הנכונות או הדיוק של מדידה או תוצאה סופית. |
| ייצור | אמצעי ייצור סחורה באמצעות ציוד, ציוד ומתעסקים. |
| CAD | עיצוב בעזרת מחשב אישי (CAD) הוא השימוש בתוכנת מחשב אישי כדי להושיט יד ביצירה, טרנספורמציה, מחקר או אופטימיזציה של עיצוב. |

II. הנדסת דיוק
הנדסת דיוק היא המדע של בנייה וייצור של אובייקטים בלי דיוק פריים באופן קיצוני. שזה יכול להיות תרסיס של הנדסה העוסק בתכנון, ייצור ובדיקה של אלמנטים ומכלולים מדויקים. הנדסת דיוק משמשת במגוון גדול של תעשיות, מכיל תעופה וחלל, אוטו, תרופות וייצור.
הנדסת דיוק היא אזור פרחוני ומאתגר, אך הוא יכול אפילו אזור מתגמל באופן קיצוני. מהנדסי דיוק ממלאים משימה חשוב מאוד בפיתוח מדעים יישומיים ומוצרים לומדים, ועבודתם עוזרת לתמוך את איכות עליונה החיים של אנשים אחרים לכל אורך המגזר.
דיוקן טכני
שרטוט טכני הוא פחות או יותר שרטוט המשמש להעברת ידע על מוצר או אמצעי. הוא משמש במגוון תעשיות, מכיל ייצור, פיתוח והנדסה. שרטוטים טכניים נוצרים ברוב המקרים באמצעות תוכנת עיצוב בעזרת מחשב אישי (CAD), אך ניתן ליצור אלה יכול אפילו ביד.
שרטוטים טכניים מורכבים ברוב המקרים ממספר חלקים לא מעט מ, מכיל:
- מצגות: מסך תצוגה היא איור של אובייקט מנקודת מבט מסוימת.
- מידות: מידות הן מדידות של אובייקט המשמשות לציון גודלו וצורתו.
- הערות: הערות משמשות להציע ידע תוספת על אובייקט, מקביל ל הבד או הפונקציה רגוע.
שרטוטים טכניים הם יסוד חשוב מאוד מתהליך התכנון, מכיוון שהם מאפשרים למהנדסים ואנשי עיסוק אחרים להביא את הטיפים שלהם ממש בצורה ברורה ותמציתית. הם משמשים יכול אפילו ליצירת פקודות ייצור וכדי לוודא שהמוצרים מיוצרים כפי שצריך להיות.
IV. דִיוּק
דיוק הוא אלמנט הכרחי בהנדסת דיוק, שכן הוא מתייחס למידת הקרבה בין שווה מדוד או מחושב לבין המחיר האמיתי. במילים אחרות, דיוק הוא הכוח להפיק תוצאה סופית הקרובה לערך הנדרש.
ישנם שונים רכיבים שיכולים לכוון על הדיוק בהנדסת דיוק, מכיל:
- הדיוק של מכשירי המדידה בהם נעשה רכיבה
- המיומנות של המפעיל
- התנאים הסביבתיים
החשוב ביותר להסיר את כל הסטנדרטים הללו בחשבון בעת תכנון וערנות אמצעי הנדסי דיוק, על מנת לוודא שהתוצאות יהיו מדויקות ככל האפשר.
כמו גם לדיוק, הנדסת דיוק דורשת יכול אפילו דיוק, המתייחס ליכולת להפיק תוצאה סופית שניתן להעתיק עליה וניתנת לשחזור. במילים אחרות, דיוק הוא הכוח לספק את אותה תוצאה סופית לחלופין ושוב.
דיוק תפיסה באופן קבוע באמצעות רכיבה בכלים ושיטות מיוחדות, מקביל ל עיבוד CNC וחיתוך לייזר.
דיוק ודיוק שניהם חיוניים להנדסת דיוק, ובאופן קבוע הם משמשים לסירוגין. שוב, החשוב ביותר לקבוע את ההבדל בין ה-2, מכיוון שהם אינם בדיוק אותו דבר.

V. חשיבות הנדסת דיוק
הנדסת דיוק חיונית למגוון תעשיות, מכיל ייצור, תעופה וחלל ומכשור מדעי. באמצעות הבטחה שרכיבים מיוצרים בהתאם ל מפרטים מדויקים, הנדסת דיוק יכולה להושיט יד לתמוך את איכות עליונה המוצר, להחליש מחירים ולהגביר את ההגנה.
בתעשיית הייצור, הנדסת דיוק משמשת ליצירת אלמנטים שהם קריטיים לביצועים של מוצר. כדוגמה, בתעשיית הרכב, הנדסת דיוק משמשת ליצירת רכיבי מנוע, מקביל ל בוכנות וגל ארכובה. אלמנטים אלו לווים לגדול להיות מיוצרים בהתאם ל מפרטים מדויקים על מנת לוודא שהמנוע יפעל קלה ויעילה.
בתעשייה האווירית, נעשה רכיבה בהנדסה מדויקת ליצירת אלמנטים למטוסים, מקביל ל כנפיים ומטוסי מסגרת. אלמנטים אלו לווים לגדול להיות מיוצרים בהתאם ל מפרטים מדויקים על מנת לוודא שהמטוס מוגן ויעיל.
בתעשיית המכשור הרפואי נעשה רכיבה בהנדסה מדויקת ליצירת אלמנטים למכשירים רפואיים, מקביל ל קוצבי מרכז ודפיברילטורים. אלמנטים אלו לווים לגדול להיות מיוצרים בהתאם ל מפרטים מדויקים על מנת לוודא שהמכשירים פועלים בצורה תקינה ובטוחה.
הנדסת דיוק היא רכיב הכרחי בתעשיות רבות. באמצעות הבטחה שרכיבים מיוצרים בהתאם ל מפרטים מדויקים, הנדסת דיוק יכולה להושיט יד לתמוך את איכות עליונה המוצר, להחליש מחירים ולהגביר את ההגנה.

VI. דִיוּק
דיוק הוא רכיב הכרחי בהנדסת דיוק, שכן הוא מתייחס ליכולת לספק שירותים או מוצרים העומדים במפרט הנדרש. בהקשר של שרטוטים טכניים, דיוק מתייחס ליכולת ליצור דיוקן המייצג במדויק את הממדים והתכונות של האובייקט המתואר.
ישנם שונים רכיבים שיכולים לכוון על דיוק שרטוט טכני, ביניהם כישרון המנסח, איכות עליונה מכשיר השרטוט והציוד והתנאים הסביבתיים בהם עוצב השרטוט.
על מנת לוודא דיוק, החשוב ביותר ליישם בכלי שרטוט וכוח איכותיים וליצור את השרטוט בסביבה מבוקרת. מנסחים צריכים יכול אפילו לגדול להיות מאומנים ומנוסים מתרגל בכלים ובטכניקות שרטוט.
להלן מרובה לשיפור הדיוק של שרטוטים טכניים:
- השתמש בכלי שרטוט וכוח באיכות מעולה.
- צור את הציור בסביבה מבוקרת.
- השתמש בקנה ממד כדי לאמת שהציור הוא בגודל הטוב ביותר.
- בדוק אם יש שגיאות בשרטוט קודם ל שייגמר.
באמצעות סיים אותם, תוכל להושיט יד לוודא שהשרטוטים הטכניים האינדיבידואלי שלך מדויקים ומדויקים.
VII. תוכניות של הנדסת דיוק
הנדסת דיוק משמשת במגוון גדול של תוכניות, מכיל:
* ייצור: הנדסת דיוק משמשת ליצירת אלמנטים ורכיבים מדויקים ומדויקים, גורם חשוב מאוד לתהליכי ייצור הרבה מ.
* מכשור מדעי: הנדסה מדויקת משמשת ליצירת מכשור מדעי מוגן ויעיל.
* תעופה וחלל: הנדסת דיוק משמשת ליצירת אלמנטים ורכיבים עבור מטוסים וחלליות.
* אוטו: הנדסת דיוק משמשת ליצירת אלמנטים ורכיבים עבור כלי רכב ומשאיות.
* רובוטיקה: הנדסת דיוק משמשת ליצירת רובוטים מדויקים ומדויקים.
* תעשיות אחרות: הנדסה מדויקת משמשת במגוון תעשיות אחרות, לרבות תעשיית הנפט והגז, תעשיית המוליכים למחצה ותעשיית הטלקומוניקציה.
מצבים תובעניים בהנדסת דיוק
ישנם שונים מצבים תובעניים הקשורים להנדסת דיוק, מכיל:
- הרצון בעובדים מיומנים מאוד מאוד
- העמלה הנלווית הגבוהה של סמים בפועל
- הרצון בסביבה מבוקרת
- אפשרי לטעויות
למרות העובדה ש האתגרים הללו, הנדסת דיוק היא אזור הכרחי שחיוני לתעשיות רבות. באמצעות התגברות על מצבים תובעניים אלו, מהנדסי דיוק יכולים להושיט יד ליצור סחורה בטוחים, אמינים ויעילים.
ט. הדרך קדימה עבור הנדסת דיוק
הטווח הארוך של הנדסת דיוק הוא מזהיר. ככל שהטכנולוגיה ממשיכה להיאבק, יתעורר הכרח גובר במהנדסי דיוק לתכנן ולהעביר סחורה מורכבים ומדויקים יותר מאי פעם.
הנדסת דיוק תמלא משימה מפתח בפיתוח מדעים יישומיים חדשות מבפנים כמו בינה מלאכותית, רובוטיקה וכלי אוטו אוטונומיים. מדעים יישומיים אלו ידרשו הנדסה מדויקת כדי לוודא שהן בטוחות ואמינות.
הנדסת דיוק תהיה חיונית יכול אפילו לפיתוח גאדג'טים וכיסויים רפואיים לומדים. גאדג'טים אותם יצטרכו לגדול להיות מדויקים ביותר כדי לגדול להיות יעילים.
בדרך כלל, הטווח הארוך של הנדסת דיוק ערבויות באופן קיצוני. למהנדסי דיוק כנראה יהיה ביקוש פריים ככל שהעולם ימשיך להרחיב מדעים יישומיים חדשות מבפנים ומורכבות יותר.
ש: מהי הנדסת דיוק?
ת: הנדסת דיוק היא אמצעי של תכנון וייצור אלמנטים ומוצרים בלי דיוק ודיוק גבוהים. זה נעשה תוך רכיבה במגוון דרכים, מכיל תכנון בעזרת מחשב אישי (CAD), ייצור בעזרת מחשב אישי (CAM) ועיבוד שבבי בפועל.
ש: מהי החשיבות של הנדסת דיוק?
ת: הנדסת דיוק חשובה ממגוון סיבות. ראשית, זה יהיה חשוב לייצור סחורה באיכות מעולה. שנית, זה בהחלט יכול להושיט יד לתמוך את ההגנה באמצעות הפחתת הסיכוי לפגמים וטעויות. שלישית, זה בהחלט יכול להושיט יד להחליש מחירים באמצעות הפחתת הרצון בעבודות ושירות מחדש.
ש: מהם האתגרים של הנדסת דיוק?
ת: ישנם שונים מצבים תובעניים הקשורים להנדסת דיוק. אותם כוללים את הרצון בעובדים מיומנים מאוד מאוד, את העמלה הנלווית הגבוהה של הציוד ואת המורכבות של אמצעי הייצור.






